

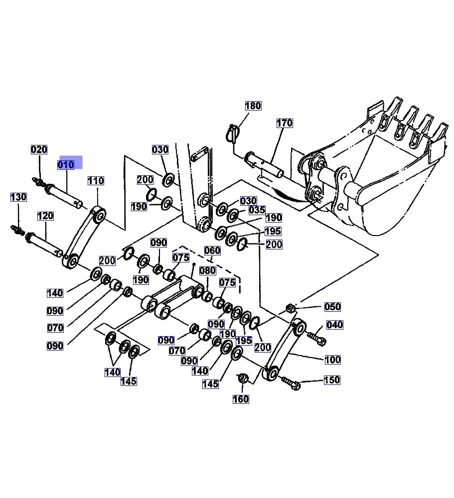
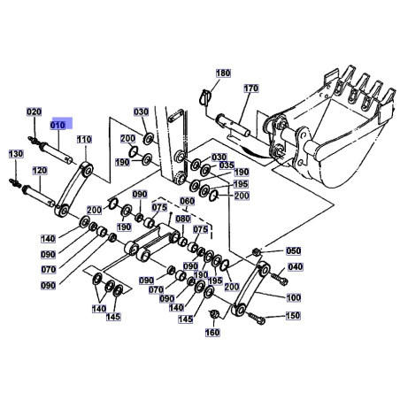
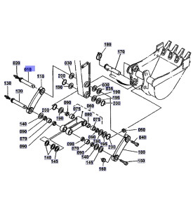
Repérez la référence sur la vue éclatée et commandez là grâce au menu déroulant de droite.
Lun-Ven 09h00-17h00
Retrouvez toutes les pièces détachées permettant la fixation de votre godet.
Toutes nos pièces sont d'origines et de qualité KUBOTA.
La vis d’attache (réf. 40) est une pièce d’usure essentielle pour le système de fixation avant de votre mini-pelle Kubota U35-3. Elle assure la liaison entre les composants de l'attache rapide, garantissant une fixation sécurisée et un fonctionnement optimal de votre godet.
Modèle : Kubota U35-3
Zone de la machine : Attachement avant
Numéros de série compatibles : Entre 55 001 et 69 999
Références associées :
10 – Goupille
20 – Graisseur
30 – Cale 1,0 mm
35 – Cale 0,5 mm
40 – Vis
50 – Écrou
60 – Ensemble coulissant auget
70 – Bague
75 – Bague
80 – Collier
90 – Racleur d’axe
100 – Maillon
110 – Maillon
120 – Goupille
130 – Graisseur
140 – Cale 1,0 mm
145 – Cale 0,5 mm
150 – Vis
160 – Écrou
170 – Goupille
180 – Goupille fendue
190 – Cale
195 – Cale
200 – Joint torique
Qualité garantie : Fabrication conforme aux normes Kubota
Compatibilité assurée : Adaptée spécifiquement aux mini-pelles Kubota U35-3
Durabilité accrue : Réduit l’usure prématurée des composants
Performance optimale : Maintient l'efficacité du système d'attache
Vérification préalable : Avant démontage, identifiez la référence exacte de la pièce sur la vue éclatée
Comparaison des dimensions : Assurez-vous que la nouvelle vis correspond aux cotes de l'ancienne
Lubrification : Appliquez une graisse adaptée pour faciliter le montage et réduire l'usure
Serrage : Respectez le couple de serrage recommandé par Kubota pour éviter tout dommage
En cas de doute sur la compatibilité ou pour toute question technique, n'hésitez pas à nous contacter. Notre équipe est à votre disposition pour vous assister dans le choix et l'installation de vos pièces détachées.
Nous consulter pour connaître les préconisations constructeur de votre machine / CONTACTEZ-NOUS
Batterie 14.4V 2Ah EB 14B NiCd HITACHI