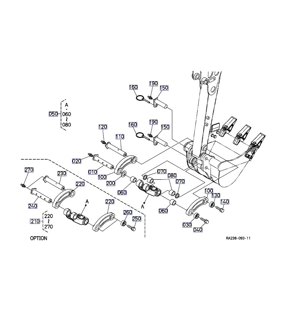
Repérez la référence sur la vue éclatée et commandez là grâce au menu déroulant de droite.
Lun-Ven 09h00-17h00
Retrouvez toutes les pièces détachées permettant la fixation de votre godet.
Toutes nos pièces sont d'origines et de qualité KUBOTA.
Ces bagues de compensation (ou bagues d’usure) et cales / biellettes sont des pièces essentielles pour l’attachement avant des mini-pelles Kubota U15-3. Elles garantissent :
Le bon coulissement des axes,
La réduction des jeux mécaniques,
La protection des axes et du godet contre l’usure prématurée.
Toutes nos pièces sont d’origine Kubota, assurant compatibilité, tolérances respectées et longévité.
Sur cette machine Kubota U15-3, les pièces d’attache peuvent varier selon le numéro de série. Voici les références disponibles :
010 – Goupille (n° de série ≤ 49 604 / ≥ 49 605)
020 – Graisseur
030 – Vis (n° de série ≤ 47 059)
060 – Bague
080 – Bague
110 – Goupille
120 – Graisseur
150 – Goupille
190 – Graisseur
Important : selon le type ou la version de l’attache, les axes et les bagues peuvent présenter des cotes différentes. Il est donc impératif de vérifier la bonne référence avant de commander.
Avant de démonter, identifiez la pièce sur la vue éclatée et notez la référence correspondante.
Respectez les tolérances et cotes constructeur lors du remplacement (épaisseur de bagues, diamètre d’axe).
Appliquez les couples de serrage recommandés.
Lubrifiez convenablement après remontage pour garantir une durée de vie optimale.
En cas de doute (usure importante, différences dimensionnelles), contactez-nous pour vérifier la compatibilité de votre machine ou l’attache concernée.
Garantie de compatibilité et de performance,
Fabrication avec les matériaux et tolérances constructeur,
Réduction des risques de défauts mécaniques,
À utiliser avec les axes originaux Kubota pour préserver la machine,
Support & conseils techniques disponibles.
Vous pourriez avoir besoin également de :
Axes correspondants
Kits complets attache + bagues
Graisseurs, vis de rechange
Calibrage ou repère pour montage
Explorez la section “Produits associés” pour compléter votre commande.
“Produit d’origine, parfaitement conforme à la machine, montage facile.”
“Livraison rapide, bon état — je recommande pour ceux qui veulent remplacer les bagues usées.”
N’hésitez pas à laisser votre avis après réception.
Choisissez la référence exacte à l’aide de la vue éclatée.
Sélectionnez la quantité souhaitée.
Cliquez sur Ajouter au panier ou Demander un devis pour commande pro.
Contactez-nous pour toute question technique ou demande de compatibilité.
Nous consulter pour connaître les préconisations constructeur de votre machine / CONTACTEZ-NOUS

Filtre décanteur kubota U35-3 ALPHA
Pièce détachée pour bétonnière IMER S190, S250, S350 thermique/électrique
Crochet d'attelage à attache boules Système K50 Fixation 2 trous
Composition:
1 Filtre à air
1 Filtre à huile
1 Filtre à carburant